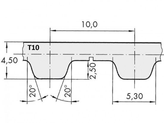
Řemen ozubený 50 T10 / 6600 AFX optibelt ALPHA FLEX

Řemen ozubený 50 T10 / 6600 AFX optibelt ALPHA FLEX

Kód produktu: 
4044978589330
Dostupnost:
Na dotaz
23 880 Kč
19 735 Kč bez DPH