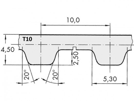
Řemen ozubený 50 T10 / 6400 AFX optibelt ALPHA FLEX

Řemen ozubený 50 T10 / 6400 AFX optibelt ALPHA FLEX

Kód produktu: 
4044978592248
Dostupnost:
Na dotaz
23 097 Kč
19 088 Kč bez DPH