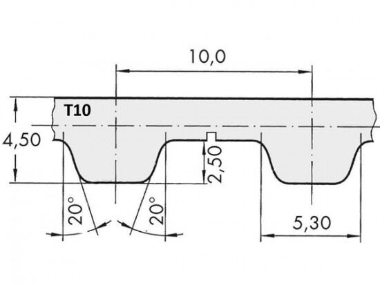
Řemen ozubený 50 T10 / 6200 AFX optibelt ALPHA FLEX

Řemen ozubený 50 T10 / 6200 AFX optibelt ALPHA FLEX

Kód produktu: 
4044978588906
Dostupnost:
Na dotaz
22 408 Kč
18 519 Kč bez DPH