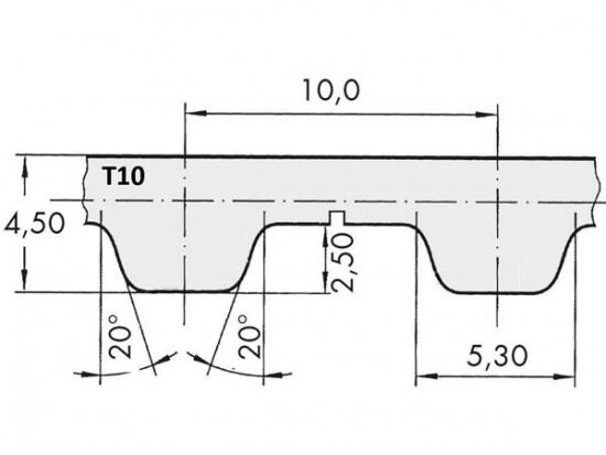
Řemen ozubený 50 T10 / 5400 AFX optibelt ALPHA FLEX

Řemen ozubený 50 T10 / 5400 AFX optibelt ALPHA FLEX

Kód produktu: 
4014486090215
Dostupnost:
Na dotaz
19 858 Kč
16 411 Kč bez DPH