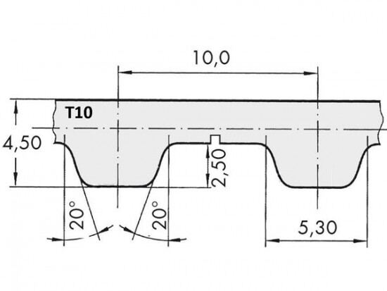
Řemen ozubený 50 T10 / 5200 AFX optibelt ALPHA FLEX

Řemen ozubený 50 T10 / 5200 AFX optibelt ALPHA FLEX

Kód produktu: 
4014486090154
Dostupnost:
Na dotaz
18 799 Kč
15 537 Kč bez DPH