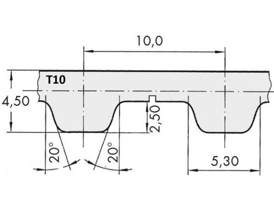
Řemen ozubený 50 T10 / 4600 AFX optibelt ALPHA FLEX

Řemen ozubený 50 T10 / 4600 AFX optibelt ALPHA FLEX

Kód produktu: 
4044978591524
Dostupnost:
Na dotaz
16 640 Kč
13 752 Kč bez DPH