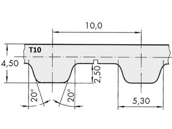
Řemen ozubený 50 T10 / 4400 AFX optibelt ALPHA FLEX

Řemen ozubený 50 T10 / 4400 AFX optibelt ALPHA FLEX

Kód produktu: 
4014486089912
Dostupnost:
Na dotaz
15 903 Kč
13 143 Kč bez DPH