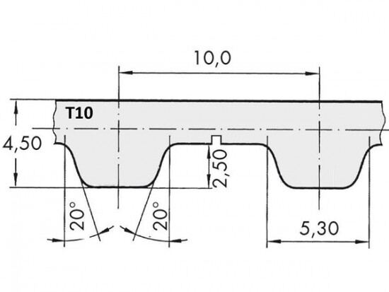
Řemen ozubený 50 T10 / 4200 AFX optibelt ALPHA FLEX

Řemen ozubený 50 T10 / 4200 AFX optibelt ALPHA FLEX

Kód produktu: 
4014486089851
Dostupnost:
Na dotaz
15 238 Kč
12 593 Kč bez DPH