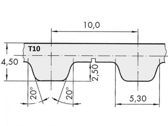
Řemen ozubený 50 T10 / 3600 AFX optibelt ALPHA FLEX

Řemen ozubený 50 T10 / 3600 AFX optibelt ALPHA FLEX

Kód produktu: 
4014486089677
Dostupnost:
Na dotaz
13 031 Kč
10 769 Kč bez DPH