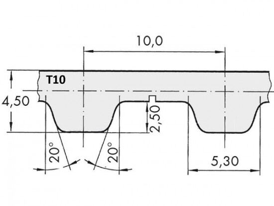
Řemen ozubený 50 T10 / 3400 AFX optibelt ALPHA FLEX

Řemen ozubený 50 T10 / 3400 AFX optibelt ALPHA FLEX

Kód produktu: 
4044978596369
Dostupnost:
Na dotaz
12 044 Kč
9 954 Kč bez DPH