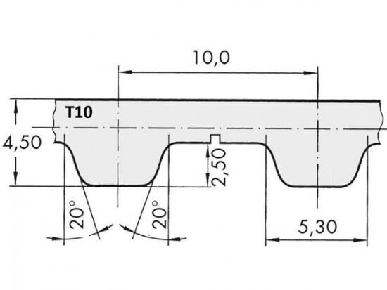
Řemen ozubený 50 T10 / 2700 AFX optibelt ALPHA FLEX

Řemen ozubený 50 T10 / 2700 AFX optibelt ALPHA FLEX

Kód produktu: 
4014486089318
Dostupnost:
Na dotaz
9 653 Kč
7 977 Kč bez DPH