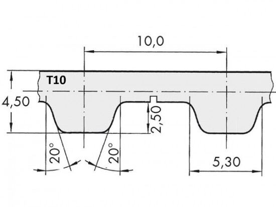
Řemen ozubený 50 T10 / 2600 AFX optibelt ALPHA FLEX

Řemen ozubený 50 T10 / 2600 AFX optibelt ALPHA FLEX

Kód produktu: 
4014486089257
Dostupnost:
Na dotaz
9 240 Kč
7 636 Kč bez DPH