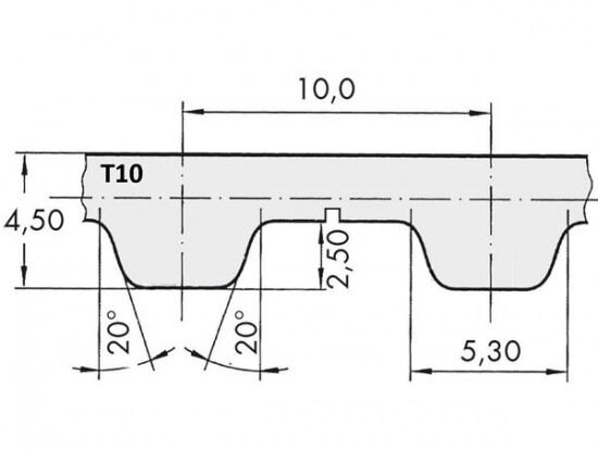
Řemen ozubený 50 T10 / 2500 AFX optibelt ALPHA FLEX

Řemen ozubený 50 T10 / 2500 AFX optibelt ALPHA FLEX

Kód produktu: 
4014486089196
Dostupnost:
Na dotaz
8 965 Kč
7 409 Kč bez DPH