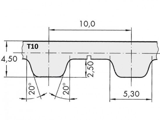
Řemen ozubený 50 T10 / 1900 AFX optibelt ALPHA FLEX

Řemen ozubený 50 T10 / 1900 AFX optibelt ALPHA FLEX

Kód produktu: 
4014486088670
Dostupnost:
Na dotaz
6 711 Kč
5 547 Kč bez DPH