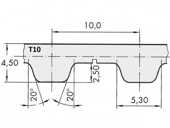
Řemen ozubený 50 T10 / 1700 AFX optibelt ALPHA FLEX

Řemen ozubený 50 T10 / 1700 AFX optibelt ALPHA FLEX

Kód produktu: 
4044978594082
Dostupnost:
Na dotaz
6 070 Kč
5 016 Kč bez DPH