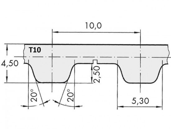
Řemen ozubený 50 T10 / 1600 AFX optibelt ALPHA FLEX

Řemen ozubený 50 T10 / 1600 AFX optibelt ALPHA FLEX

Kód produktu: 
4044978585110
Dostupnost:
Na dotaz
5 858 Kč
4 841 Kč bez DPH