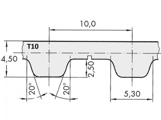
Řemen ozubený 50 T10 / 12000 AFX optibelt ALPHA FLEX

Řemen ozubený 50 T10 / 12000 AFX optibelt ALPHA FLEX

Kód produktu: 
4014486449563
Dostupnost:
Na dotaz
43 322 Kč
35 804 Kč bez DPH