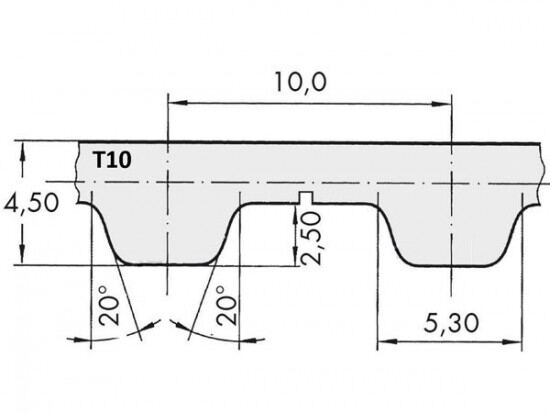
Řemen ozubený 50 T10 / 11200 AFX optibelt ALPHA FLEX

Řemen ozubený 50 T10 / 11200 AFX optibelt ALPHA FLEX

Kód produktu: 
4044978605283
Dostupnost:
Na dotaz
40 473 Kč
33 449 Kč bez DPH