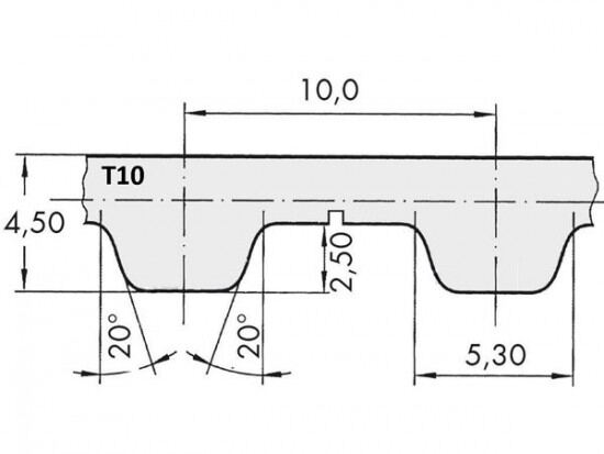
Řemen ozubený 50 T10 / 11000 AFX optibelt ALPHA FLEX

Řemen ozubený 50 T10 / 11000 AFX optibelt ALPHA FLEX

Kód produktu: 
4044978614278
Dostupnost:
Na dotaz
39 738 Kč
32 841 Kč bez DPH