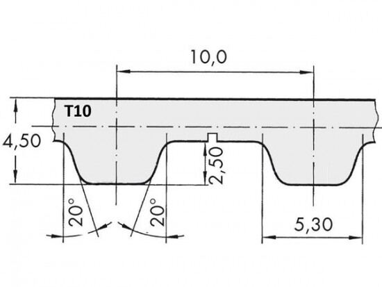
Řemen ozubený 50 T10 / 10800 AFX optibelt ALPHA FLEX

Řemen ozubený 50 T10 / 10800 AFX optibelt ALPHA FLEX

Kód produktu: 
4044978602497
Dostupnost:
Na dotaz
39 027 Kč
32 253 Kč bez DPH