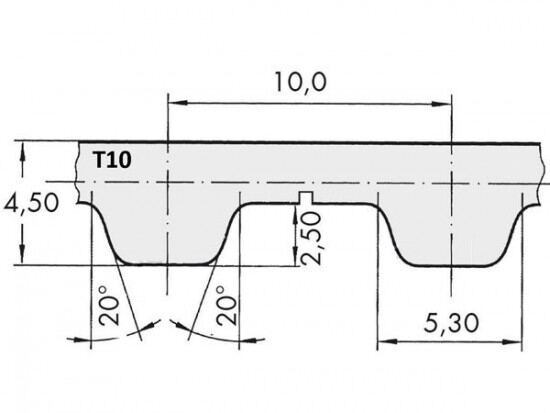
Řemen ozubený 50 T10 / 10600 AFX optibelt ALPHA FLEX

Řemen ozubený 50 T10 / 10600 AFX optibelt ALPHA FLEX

Kód produktu: 
4044978619341
Dostupnost:
Na dotaz
38 291 Kč
31 645 Kč bez DPH