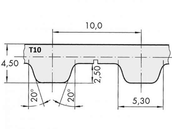
Řemen ozubený 50 T10 / 10200 AFX optibelt ALPHA FLEX

Řemen ozubený 50 T10 / 10200 AFX optibelt ALPHA FLEX

Kód produktu: 
4044978608086
Dostupnost:
Na dotaz
36 842 Kč
30 448 Kč bez DPH