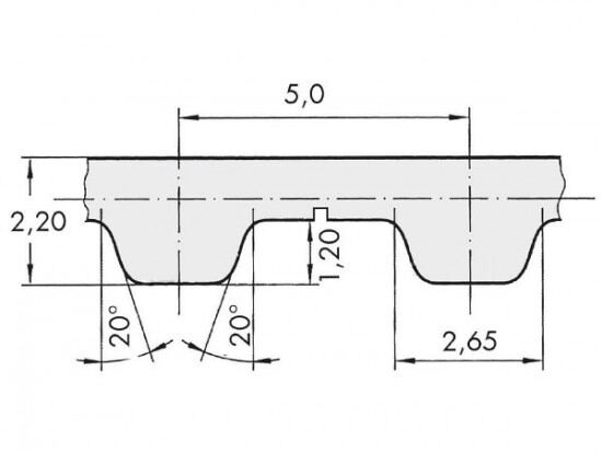
Řemen ozubený 32 T5 / 9600 AFX optibelt ALPHA FLEX

Řemen ozubený 32 T5 / 9600 AFX optibelt ALPHA FLEX

Kód produktu: 
4044978607294
Dostupnost:
Na dotaz
20 961 Kč
17 323 Kč bez DPH