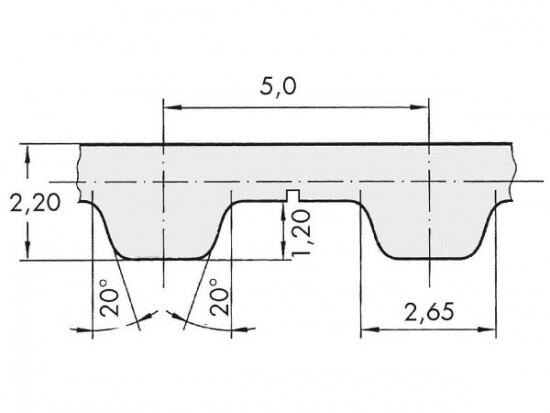
Řemen ozubený 32 T5 / 9400 AFX optibelt ALPHA FLEX

Řemen ozubený 32 T5 / 9400 AFX optibelt ALPHA FLEX

Kód produktu: 
4044978607959
Dostupnost:
Na dotaz
20 525 Kč
16 963 Kč bez DPH