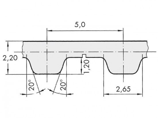
Řemen ozubený 32 T5 / 9000 AFX optibelt ALPHA FLEX

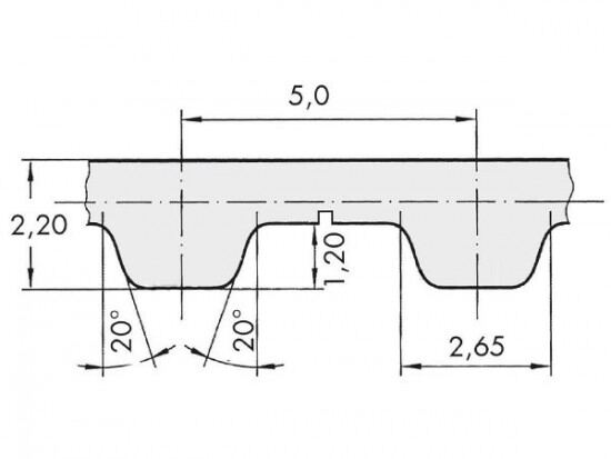
Řemen ozubený 32 T5 / 9000 AFX optibelt ALPHA FLEX

Kód produktu: 
4044978607812
Dostupnost:
Na dotaz
19 628 Kč
16 221 Kč bez DPH