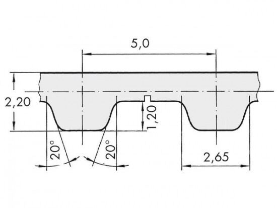
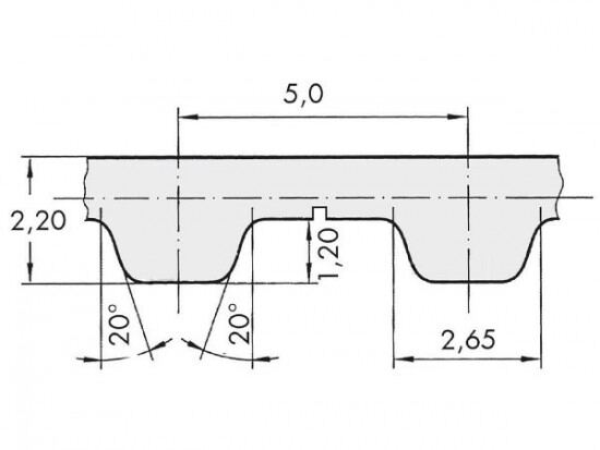
Řemen ozubený 32 T5 / 8600 AFX optibelt ALPHA FLEX

Řemen ozubený 32 T5 / 8600 AFX optibelt ALPHA FLEX

Kód produktu: 
4044978613172
Dostupnost:
Na dotaz
18 779 Kč
15 519 Kč bez DPH