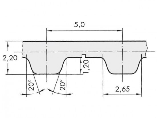
Řemen ozubený 32 T5 / 8200 AFX optibelt ALPHA FLEX

Řemen ozubený 32 T5 / 8200 AFX optibelt ALPHA FLEX

Kód produktu: 
4044978616821
Dostupnost:
Na dotaz
17 859 Kč
14 759 Kč bez DPH