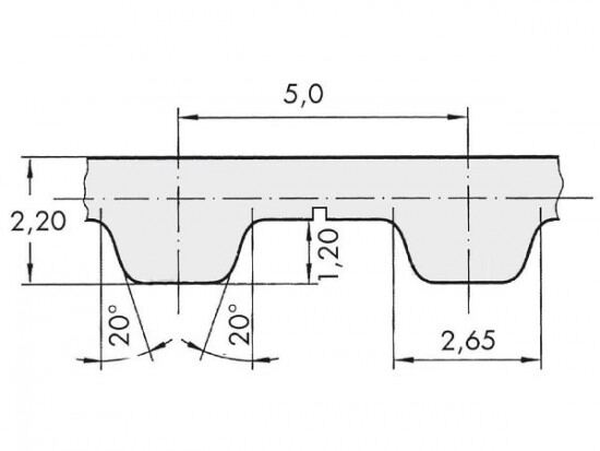
Řemen ozubený 32 T5 / 7600 AFX optibelt ALPHA FLEX

Řemen ozubený 32 T5 / 7600 AFX optibelt ALPHA FLEX

Kód produktu: 
4044978607416
Dostupnost:
Na dotaz
16 640 Kč
13 752 Kč bez DPH