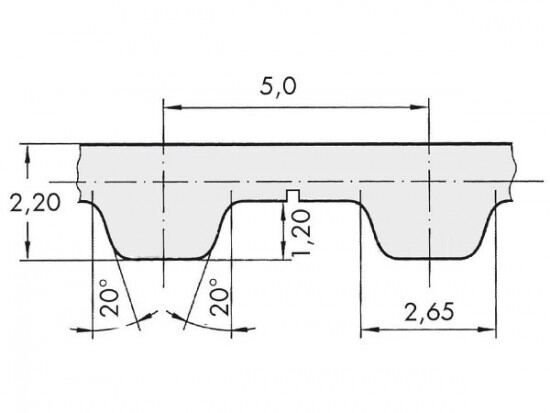
Řemen ozubený 32 T5 / 7400 AFX optibelt ALPHA FLEX

Řemen ozubený 32 T5 / 7400 AFX optibelt ALPHA FLEX

Kód produktu: 
4044978617255
Dostupnost:
Na dotaz
16 203 Kč
13 391 Kč bez DPH