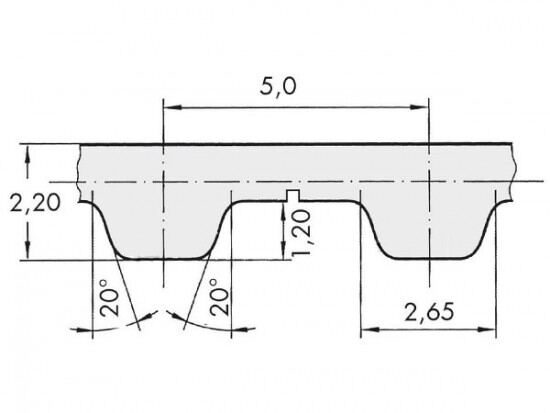
Řemen ozubený 32 T5 / 7200 AFX optibelt ALPHA FLEX

Řemen ozubený 32 T5 / 7200 AFX optibelt ALPHA FLEX

Kód produktu: 
4044978603838
Dostupnost:
Na dotaz
15 767 Kč
13 031 Kč bez DPH