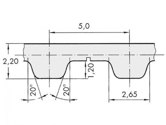
Řemen ozubený 32 T5 / 6800 AFX optibelt ALPHA FLEX

Řemen ozubený 32 T5 / 6800 AFX optibelt ALPHA FLEX

Kód produktu: 
4044978590770
Dostupnost:
Na dotaz
14 892 Kč
12 308 Kč bez DPH