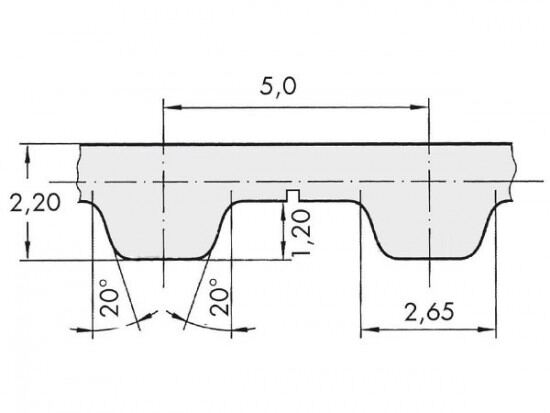
Řemen ozubený 32 T5 / 6400 AFX optibelt ALPHA FLEX

Řemen ozubený 32 T5 / 6400 AFX optibelt ALPHA FLEX

Kód produktu: 
4044978597793
Dostupnost:
Na dotaz
13 997 Kč
11 568 Kč bez DPH