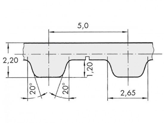
Řemen ozubený 32 T5 / 6200 AFX optibelt ALPHA FLEX

Řemen ozubený 32 T5 / 6200 AFX optibelt ALPHA FLEX

Kód produktu: 
4044978594662
Dostupnost:
Na dotaz
13 582 Kč
11 225 Kč bez DPH