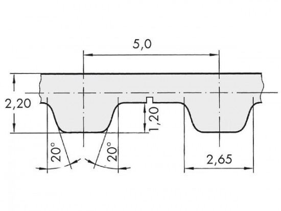
Řemen ozubený 32 T5 / 5800 AFX optibelt ALPHA FLEX

Řemen ozubený 32 T5 / 5800 AFX optibelt ALPHA FLEX

Kód produktu: 
4044978597755
Dostupnost:
Na dotaz
12 732 Kč
10 523 Kč bez DPH