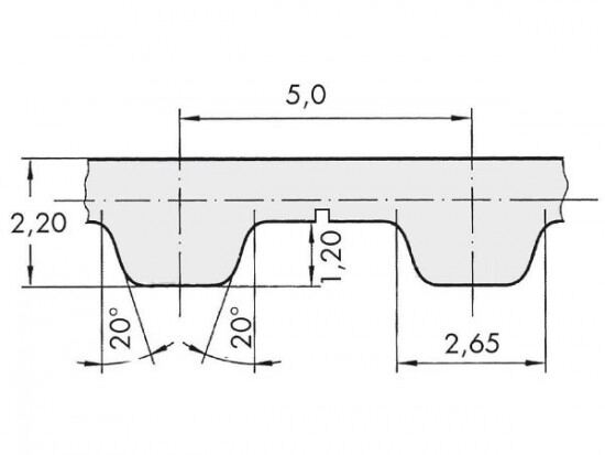
Řemen ozubený 32 T5 / 5400 AFX optibelt ALPHA FLEX

Řemen ozubený 32 T5 / 5400 AFX optibelt ALPHA FLEX

Kód produktu: 
4044978591500
Dostupnost:
Na dotaz
12 067 Kč
9 973 Kč bez DPH