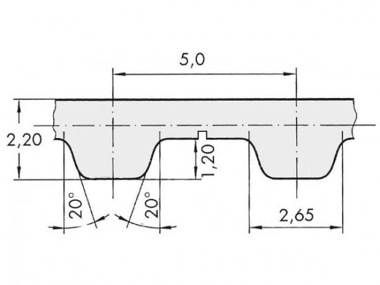
Řemen ozubený 32 T5 / 5200 AFX optibelt ALPHA FLEX

Řemen ozubený 32 T5 / 5200 AFX optibelt ALPHA FLEX

Kód produktu: 
4044978592026
Dostupnost:
Na dotaz
11 447 Kč
9 460 Kč bez DPH