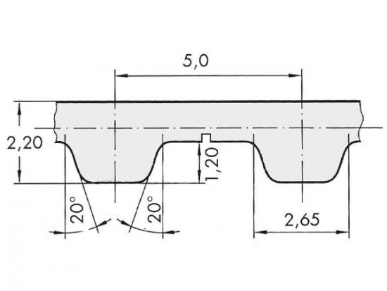
Řemen ozubený 32 T5 / 5000 AFX optibelt ALPHA FLEX

Řemen ozubený 32 T5 / 5000 AFX optibelt ALPHA FLEX

Kód produktu: 
4044978587770
Dostupnost:
Na dotaz
10 941 Kč
9 042 Kč bez DPH