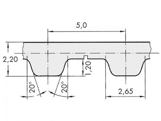
Řemen ozubený 32 T5 / 4800 AFX optibelt ALPHA FLEX

Řemen ozubený 32 T5 / 4800 AFX optibelt ALPHA FLEX

Kód produktu: 
4044978595386
Dostupnost:
Na dotaz
10 573 Kč
8 738 Kč bez DPH