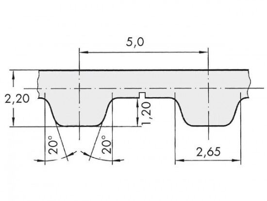
Řemen ozubený 32 T5 / 4600 AFX optibelt ALPHA FLEX

Řemen ozubený 32 T5 / 4600 AFX optibelt ALPHA FLEX

Kód produktu: 
4014486023190
Dostupnost:
Na dotaz
10 112 Kč
8 357 Kč bez DPH