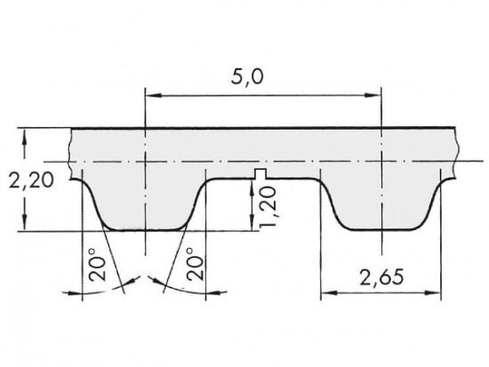
Řemen ozubený 32 T5 / 3400 AFX optibelt ALPHA FLEX

Řemen ozubený 32 T5 / 3400 AFX optibelt ALPHA FLEX

Kód produktu: 
4044978587299
Dostupnost:
Na dotaz
7 309 Kč
6 041 Kč bez DPH