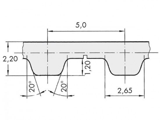
Řemen ozubený 32 T5 / 3200 AFX optibelt ALPHA FLEX

Řemen ozubený 32 T5 / 3200 AFX optibelt ALPHA FLEX

Kód produktu: 
4044978585981
Dostupnost:
Na dotaz
6 894 Kč
5 697 Kč bez DPH