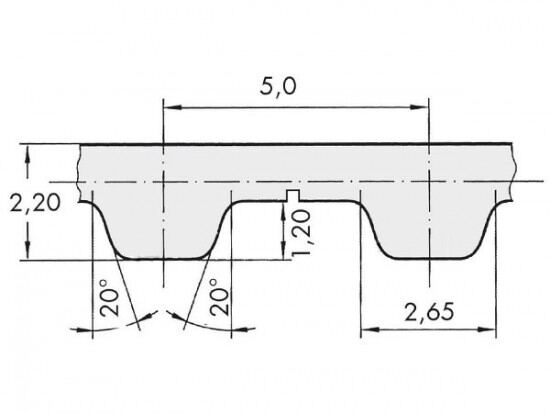
Řemen ozubený 32 T5 / 2900 AFX optibelt ALPHA FLEX

Řemen ozubený 32 T5 / 2900 AFX optibelt ALPHA FLEX

Kód produktu: 
4044978592149
Dostupnost:
Na dotaz
6 253 Kč
5 168 Kč bez DPH