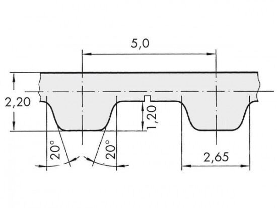
Řemen ozubený 32 T5 / 2700 AFX optibelt ALPHA FLEX

Řemen ozubený 32 T5 / 2700 AFX optibelt ALPHA FLEX

Kód produktu: 
4044978597519
Dostupnost:
Na dotaz
5 837 Kč
4 824 Kč bez DPH