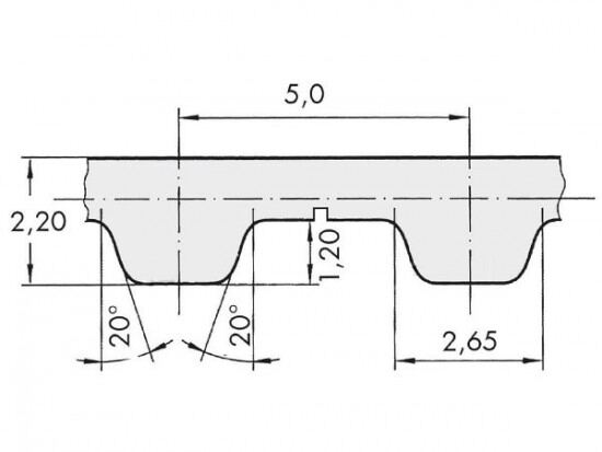
Řemen ozubený 32 T5 / 2500 AFX optibelt ALPHA FLEX

Řemen ozubený 32 T5 / 2500 AFX optibelt ALPHA FLEX

Kód produktu: 
4014486022414
Dostupnost:
Na dotaz
5 424 Kč
4 483 Kč bez DPH