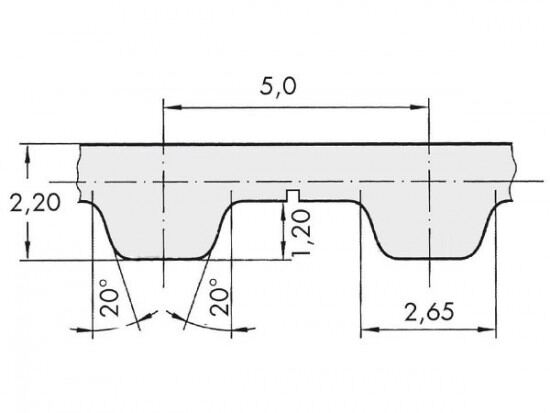
Řemen ozubený 32 T5 / 2400 AFX optibelt ALPHA FLEX

Řemen ozubený 32 T5 / 2400 AFX optibelt ALPHA FLEX

Kód produktu: 
4044978584625
Dostupnost:
Na dotaz
5 195 Kč
4 293 Kč bez DPH