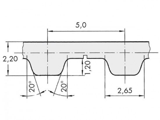
Řemen ozubený 32 T5 / 2300 AFX optibelt ALPHA FLEX

Řemen ozubený 32 T5 / 2300 AFX optibelt ALPHA FLEX

Kód produktu: 
4044978587831
Dostupnost:
Na dotaz
4 988 Kč
4 122 Kč bez DPH