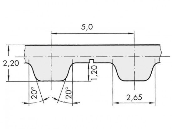
Řemen ozubený 32 T5 / 2100 AFX optibelt ALPHA FLEX

Řemen ozubený 32 T5 / 2100 AFX optibelt ALPHA FLEX

Kód produktu: 
4044978591135
Dostupnost:
Na dotaz
4 595 Kč
3 798 Kč bez DPH