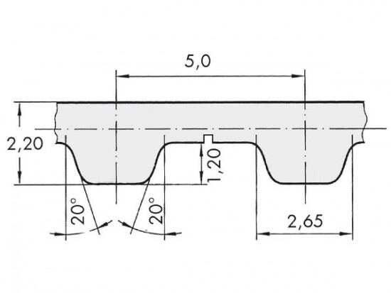
Řemen ozubený 32 T5 / 2000 AFX optibelt ALPHA FLEX

Řemen ozubený 32 T5 / 2000 AFX optibelt ALPHA FLEX

Kód produktu: 
4044978587725
Dostupnost:
Na dotaz
4 299 Kč
3 553 Kč bez DPH