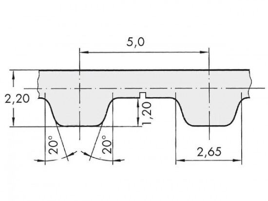
Řemen ozubený 32 T5 / 1800 AFX optibelt ALPHA FLEX

Řemen ozubený 32 T5 / 1800 AFX optibelt ALPHA FLEX

Kód produktu: 
4014486021998
Dostupnost:
Na dotaz
4 009 Kč
3 313 Kč bez DPH