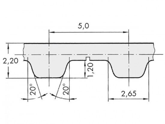
Řemen ozubený 32 T5 / 1700 AFX optibelt ALPHA FLEX

Řemen ozubený 32 T5 / 1700 AFX optibelt ALPHA FLEX

Kód produktu: 
4014486021936
Dostupnost:
Na dotaz
3 636 Kč
3 005 Kč bez DPH